Дома продажа / Дома, Альметьевск, 6 700 000

Кратко

ID 39922394
Категория Дома
Город Альметьевск
Этажность 2
Площадь общая 100
Площадь участка 8
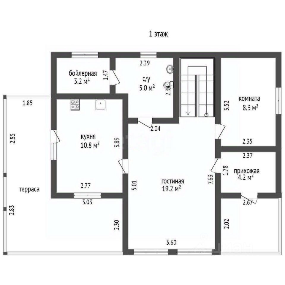
Продается современный двухэтажный каркасный дом общей площадью 130 кв.м на участке 8 соток правильной формы, что открывает широкие возможности для ландшафтного дизайна, организации зоны отдыха или сада. Участок ровный, полностью подготовлен к дальнейшему обустройству. Фундамент на буронабивных сваях. Электроснабжение уже подведено к дому. Планировка: на двух этажах расположены четыре изолированные спальни, гардеробная, функциональная котельная. К дому примыкает терраса. Ключевым преимуществом является применение экологичных и гипоаллергенных материалов, которые безопасны для здоровья и устойчивы к образованию плесени и грибка. Многослойные стены с эффективным утеплителем поддерживают комфортную температуру даже в сильные морозы, значительно экономя расходы на отопление. Дом сочетает приватность загородной жизни с удобной транспортной доступностью к основной инфраструктуре. Это готовое решение для тех, кто ценит надежность, современные технологии и практичность.



Код пользователя: 75374
Номер в базе: 9831476

Контакты на сайте: источник

Карта

Похожие

Дома
Площадь м2: 98//
Этаж: 0/1
Дома
Площадь м2: 100//
Этаж: 0/2
Дома
Площадь м2: 120//
Этаж: 0/2
Дома
Площадь м2: 42.2//
Этаж: 0/1
Дома
Площадь м2: 159//
Этаж: 0/2